5 Wege Schalter Schaltplan
Schaltplan der Texas Special Tele Pickups Im Gegensatz zur vorhergehenden Schaltung werden hierbei Bridge- und Neck-Pickup in Schalter-Mittelstellung nicht parallel sondern in. Mit der Unterstützung eines modernen 5-Wege4-Pole Schalters lassen sich zahlreiche Varianten zum Thema Pickup-Management aufbauen.

Dukkan Zorunlu Yaz Lichtschaltung Mit 2 Schaltern Amazon Duz Yap Il Sevilmis Biri
In diesem Ratgeber erklären wir wie genau man einen Wechselschalter anschließt wann man eine Kreuzschaltung benötigt und liefern einen Schaltplan für die Installation einer 2 - Schalter und 3 - Schalter Lösung.

5 wege schalter schaltplan. 24 Mal Danksagung erhalten. Austausch eines 5-Wege Schalters gegen einen 3-Wege Schalters nach einem Schaltplan von Rockingerd. Wie verschalte ich was richtig.
Beide sind Wippschalter mit Doppelwippe. Installation Einer Sparwechselschaltung Mit Steckdosen. Es handelt sich um eine Ibanez RG 550 mit Humbuckern am Steg und am Neck und einem Singlecoil in der Mitte.
5 Beiträge Seite 1 von 1. By facybulka Posted on January 22 2009 25 views. Mit dieser Schaltung kann man eine oder mehrere Verbraucher Leuchten mit zwei Schaltern bedienen zB.
EINAUS Schalter mit LED 12V DC Schalter EINAUS PVC Reiniger 30ml PVC Reiniger PVC Kleber Tube 125 ml Teflonband wünschen Sie eine andere Zusammenstellung nehmen Sie bitte Kontakt mit uns auf. Jetzt muss ich das E-Fach nur mehr abschirmen und dann kann ich loslegen. Dieses motorisierte Kugelventil öffnet oder schließt sich elektrisch 12 Volt DC.
CHF 9150 PIKO 38829 G Schüttgutwagen BO Spur G Farbvariante im Design der Baltimore and Ohio Railroad aktuelle Wagennummer. 30 30 Tage Money. Ich hab aber wie ich schon schrub nur 2 single coils in der Tele und möchte die auch gerne drin lassen weil mir bei der Tele der SC-Klang besser gefällt.
Falls es jemanden interessiert bzw. Potis Schalter Tonabnehmer Kondensatoren und Platinen. Zusätzlich werden zur Geschwindigkeitsregulierung Drosselschalldämpfer verwendet.
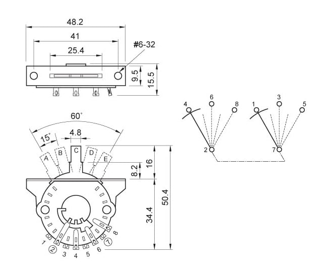
Denn ein Serienschalter schaltet genauso zwei Leuchtgruppen wie auch die Doppelwechselschalter. Schaltplan 4-Wege Tele Schalter. Mögliche Schaltung mit einem 5-Wege Lever Schalter Auch dieses Schaltung finden Sie in der Sektion Schaltungs-Diagramme.
Mehr dazu im Aufbau des Doppelwechselschalters. OWL Hat sich bedankt. Der Steghumbucker geht nicht durch eingehende Inspektion hab ich festgestellt.
Ich bin gerade dabei eine Klampfe fitt zu machen die 20 Jahre bei mir auf dem Dachboden rumgestanden hat. Oder 3 Pickups voraussetzen. Unterscheiden kann man sie jedoch an den Anschlussklemmen.
42-Wege und 52-Wege sowie 43-Wege und 53-Wegeventile werden typischerweise zur Steuerung von doppeltwirkenden Antrieben eingesetzt. Ein Video das die Möglichkeiten einer 6-Wege-Schaltung zeigt finden Sie im Internet unter folgendem Link. Wechselschaltung Und Kreuzschaltung Mit Schaltplan Campofant.
Vor kurzem fiel mir eine ältere Vision E-Gitarre in die Hände dessen Elektronik va. Daher habe ich mir diese Noname-Gitarre mal näher angesehen. Der Volumen-Poti nicht mehr richtig funktionierte.
Das Problem ist dass alle Schaltungen die ich für nen 5-wege-schalter und die Tele gefunden hab mindestens einen Humbucker edit. Zum Einbau in Fender-Gitarren. Kondensator 55 Zapfhähne und Dichtungsringe 55 Heißwassertank und zugehörige Komponenten 56 Heißwassertank-Schalter 517 Heißwassertank-Entlüftungsöffnung 518 Überlastschutz 518 Kältemittel 518 Relais 518 Herausnehmbares Reservoir 519 Netzkabel 519 Rohrleitungen 521 Wasserflasche 521 WaterGuard 521 Leitungen Anschlüsse.
42-Wege und 52-Wege sowie 43-Wege und 53-Wegeventile werden typischerweise zur Steuerung von doppeltwirkenden Antrieben eingesetzt. Schaltplan 4-Wege Tele Schalter. Falls jemand das selbe Problem hat wie ich es hatte.
Damit der Strom zwischen den beiden Schaltern hin und her fließen kann sind diese beiden mit korrespondierenden Adern verbunden. Schaltplan für 5-Wege-Schalter Göldo EL5PL. Im untenstehenden Beispiel steuert ein handbetätigtes Ventil S1 S2 einen doppeltwirkenden Zylinder C1 C2.
Zusätzlich werden zur Ge schwindigkeitsregulierung Drosselschalldämpfer verwendet. Die Verkabelung gemäß dem Seymour Duncan Schaltplan und der 5-Wege-Schalter-Belegung so wie im Post 7 hat bestens funktioniert. Wechselschaltung Schema 3 Lampenschaltung mit zwei Schalter Die Wechselschaltung wird sehr häufig angewendet.
Das 52 Wege-Impulsventil ganz einfach und schnell anhand einer einfachen pneumatischen Schaltung erklärt_____. Kreuzschaltung Anschliessen Kreuzschaltung Schaltplan Praxis. Wechselschaltung Mit 5 Schaltern.
In einem Treppenhaus oder in einem Korridor. Im untenstehenden Beispiel steuert ein handbetätigtes Ventil S1 S2 einen doppeltwirkenden Zylinder C1 C2. Gitarre basteln mit the SONIC spyStratocaster Umbau bzw.
Neben den gängigen Toggle Switches 3 Wege oder 5 Wege gibt es auch 4-Wege- oder 6-Wege-Schalter. Elektrische Schaltungen Mathe Brinkmann. 2 Humbucker 2 Tone Potis 5-Wege-Schalter Beitrag von capricky 19062011 1941 quotewoulfHabs mit ein bisschen ausprobieren.
Es scheint sich um eine dieser billigen Einsteiger-Gitarren zu handeln die für weit unter 100- verkauft werden. Achtung Bitte vor dem Arbeiten an der elektrischen Anlage unbedingt die 5 Sicherheitregeln.

Nagelneues Lg 55eg9600 65eg9600 Motherboard Eax66228906 1 0 Ebay In 2021 Elektronik Marke Ebay

So Testen Sie Einen Kondensator Pinterest Blog Kondensatoren Elektroniken Elektronische Schaltung

Neueste Absolut Kostenlos Autos Jeep Tipps Auto Jeep Jeep Schaltplan
![]()
5 Wege Strat Schaltung Musiker Board

Telefon W 48 Schwarz Bakelit Manufactum Antikes Telefon Telefon Manufactum

Custom Built Electric Guitar Florian Elshoff

Klick Um Das Bild Zu Schliessen Klick Und Ziehe Um Zu Verschieben Benutze Pfeiltasten Fur Vor Und Zuruck Schalter Steckverbinder

Ibanez Standard 5 Way Switch 3swlsc Switches Switch Tips E Guitars Spare Parts Ibanez Meinl Shop

3 Pickup Guitar Wiring Harness Prewired With A500k B500k Big Pots 5 Way Switch 1 Volume 1 Tone Black White Guitar Wiring Harness Pickup Guitarguitar Wire Aliexpress

Brushless Electronic Speed Control Motor Schematics Elektro Elektronik Elektroautos

Pin Von Piotr Bananowski Auf Diy Noise Gadgets Elektroniken

Schaltplan Umbau Zundschloss Zum Einbau Eines Startschalters Smart Roadster Coupe Smart Roadster Roadsters

Fender 5 Way Switch Replacement With Diagram Alvin De Leon 2019 Youtube

Prewired Kit Stratocaster 5 Way Custom Guitars Stratocaster Guitar Guitar Kits




