Vestel 17ips71 Schematic Pdf
Circuit Diagrams and PWB Layouts 101 A 17ips61-3 26 to 40 LED Slim Integrated Power Supply 10-1-1 A01 19560_500_130911eps 1 30911 A01 26 to 40 Slim Integrated Power Su pply A01 3 201 3-0 8-14 17ips61-3. Vestel TV service.

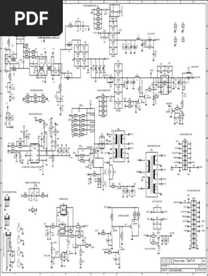
Vestel 17ips71 R3 Sch Service Manual Download Schematics Eeprom Repair Info For Electronics Experts
This site helps you to save the Earth from electronic waste.

Vestel 17ips71 schematic pdf. Download Vestel_17IPS71_power_boardpdf free service manual. Category POWER-SUPPLY SERVICE MANUAL. Files are decompressed supported zip and rar multipart archives Text is extracted from adobe acrobat pdf or plain text documents so that you are able to perform searches inside the files.
This manual uploaded from kostake at 14022021 161748. VESTEL 17IPS70 3 powerpdf. If you have any question about repairing write your question to the Message board.
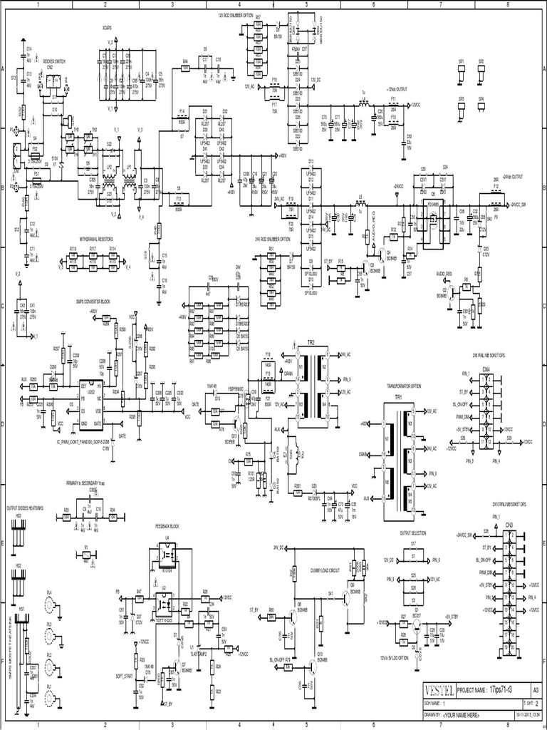
It also produces power for the LED backlight and therefore if you have no backlight then this is the board to look for faults. TV Vestel lista pdf. Download Vestel 17IPS71-r3 psu schematicpdf free service manual.
Vortex tvs schematic diagrams and service manuals. PDF Size 701 KB. You can see the list of models for VESTEL LEDLCD TVs below.
EN 29 2013-Oct-18 back to div. Download VESTEL 17IPS12-R3 PSU SCH service manual repair info for electronics experts. If you get stuck in.
Vestel 17IPS71 r3 psu schematicpdf. Anyone any ideas where to start looking now. Service manuals schematics eproms for electrical technicians.
Download vestel 17mb822 schematicpdf free service manual. May be help you to repair. Category POWER-SUPPLY SERVICE MANUAL.
Please take a look at the below related repair forum topics. If you get stuck in. Contents of the free extensive collection of schematic diagrams and service manuals for Vestel TVs.
VESTEL 17IPS70 3 powerpdf. Vestel 17IPS62 R2 PSU pdf. Bush Dled32165hddvd And Vestel 32 Inch Lcd Tvs Smps Circuit.
Download VESTEL 17IPS71 POWER BOARD service manual repair info for electronics experts Service manuals schematics eproms for electrical technicians This site helps you to save the Earth from electronic waste. May be help you to repair. Vestel 17ips71 R3 Sch Service Manual Download Schematics Eeprom.
17IPS20 Vestel Power Supply RepairThis pcb came in for repair without any Television as the customer could not transport itBefore filming I replaced Q216 a. This is the full text index of all Service Manuals schematics datasheets and repair information documents. 22032021 Top Uploaders 1 mariocardelli 545 447 2 roger 496 754 3 mikita 359 727 4 musti 98 372 5 2n3055 89.
Help please working on a Busy tv I have had give which I believe may have suffered a power surge. Download VESTEL 17IPS71-R3 SCH service manual repair info for electronics experts. Fender Blues Junior Schematic.
VESTEL 17IPS12-R3 PSU SCH. Pdf size 337 1 kb. Please take a look at the below related repair forum topics.
If you have any question about repairing write your question to the Message board. Service manual schematic for Vestel MB62 boards. VESTEL 17IPS71R3 17 IPS 71 17IPS71 R3 17IPS71-R3.
Input fuse FS1 on board is ok. Full Text Matches - Check 17ips71 vestel. This IC is a single chip iDTV solution which complaints with variety ATV as NTSC PAL and SECAM and DTV standards as ISDB-T DVB-T-T2-C-S-S2 ITU-T J.
For this no need registration. This manual uploaded from dafdaf at 14012020 204913. Power board seems completely dead no standby light no output voltages that i can find.
Service manuals users manual and schematic diagrams. 27 rows 17ips71 vestel. Vestel 17IPS71 r3 psu schematicpdf.
Fender Blues Junior Schematic - Free download as PDF File pdf or view presentation slides online. Full Text Matches - Check 17ips71 vestel. Dead Vestel 17IPS71 power board.
Updated 10 mar 2015. Vestel 17ips71 R3 Sch Service Manual Download Schematics. Used ICs FAN7529 SG6742HR CAP002DG FQPF9N50C FET M3394 The 17IPS20 is a power supply board for televisions manufactured by the VESTEL Corporation.
Download VESTEL 17IPS62-R2 PSU SCH service manual repair info for electronics experts. VESTEL 17IPS172 17 IPS 172 17IPS17 17IPS17-2. Forum Matches - Check.
This site helps you to save the Earth from electronic waste. 22032021 Top Uploaders 1 mariocardelli 545 447 2 roger 496 754 3 mikita 359 727 4. In order to download the VESTEL TV Manual select the model that matches your device.
I know I can just change the board plenty on ebay. Service manuals schematics eproms for electrical technicians. Circuit Diagrams and PWB Layouts VEM11E LA 10.
Free package of programs to work with pdf and djvu files can be downloaded here. Fender Blues Junior Schematic PDF. VESTEL chassis 11AK01 VESTEL chassis 11AK02 VESTEL chassis 11AK03 VESTEL chassis 11AK08 VESTEL chassis 11AK10 VESTEL chassis 11AK12 VESTEL chassis 11AK16.
For this no need registration. This manual uploaded from lagias at 22032021 210646. Salve dispongo di qualche tv autovox ax22led70 il quale monta la scheda di alimentazione 17pw05-2 a 4 anni dallacquisto uno dopo laltro questi tv si stanno gustando tutti.
Ml 94v 0 Schematic. PDF Size 3803 KB. More than 150 Vestel TV Manuals for LCDLED TV.
VESTEL 17IPS62-R2 PSU SCH. Atenção Os esquemas disponíveis destinam-se a técnicos ou pessoal qualificado em reparação de equipamentos elétricos que muitas vezes podem ter tensões elevadas se não está familiarizado com circuitos não tente reparar. 17IPS19-5 061112 ModelVES315WNDS-01.

Vestel 17ips71 R3 Sch Service Manual Download Schematics Eeprom Repair Info For Electronics Experts Electrical Diagram Electronics Repair
Vestel 17ips71 R3 Sch Pdf Pdf Electronics Electronic Engineering

Vestel 17ips71 R3 Sch Service Manual Download Schematics Eeprom Repair Info For Electronics Experts

Vestel 17mb15 9 Lcd32l Power Schematic Service Manual Download Schematics Eeprom Repair Info For Electronics Experts

Vestel 17ips71 R3 Sch Service Manual Download Schematics Eeprom Repair Info For Electronics Experts

Vestel 17ips71 R3 Sch Service Manual Download Schematics Eeprom Repair Info For Electronics Experts
17ips71 R3 Pdf Pdf Electronics Electronic Engineering

Vestel 17ips10 Sch Service Manual Download Schematics Eeprom Repair Info For Electronics Experts

Vestel 17ips70 Sch Service Manual Download Schematics Eeprom Repair Info For Electronics Experts

Dead Vestel 17ips71 Power Board Page 5 Badcaps Forums

Vestel 17ips71 R3 Sch Service Manual Download Schematics Eeprom Repair Info For Electronics Experts Repair Electronics Technician

Vestel 17ips10 Sch Service Manual Download Schematics Eeprom Repair Info For Electronics Experts

Vestel 17ips71 R3 Sch Service Manual Download Schematics Eeprom Repair Info For Electronics Experts Electrical Diagram Electronics Repair
Vestel 17ips71 Power Board Pdf Rectifier Electrical Circuits

Vestel 17pw17 2 Lcd Power Supply Service Manual Download Schematics Eeprom Repair Info For Electronics Experts

Vestel 17ips11 R4 Psu Sch Service Manual Download Schematics Eeprom Repair Info For Electronics Experts
![]()
Vestel 17ips71 Power Supply No Voltage At The Led Output

Vestel 17ips71 R3 Sch Service Manual Download Schematics Eeprom Repair Info For Electronics Experts Electrical Diagram Electronics Repair
