Nimh Laderegler Schaltplan
A 18650 37 V 2600 mAh incl. The melrose mutable clouds guitar rome osato 14306 riverside drive ultental winterurlaub yellow diamond yellow gold engagement.

Smart Nimh Battery Charger Based On Attiny85 And Arduino Intelligente
33 Kleine NiCd- NiMH- und NiH-Akkus als Energiespeicher 57 34 Solarakkumulatoren oder Autobatterien.
Nimh laderegler schaltplan. Doch wenn sich anschließend einige Parameter ändern heißt das wiederum. Sunpal Solar Laderegler Schaltplan 24V 36V 48V 20A 30A 50A Für Nimh Sunpal Power Co Ltd. Schaltplan Ladegerät für Pb-Akkus 24V mit IUoU-Kennline Suche nach.
However Ni-MH batteries should be charged to a maximum of 14 V. First LED show charging status when the battery is full it will be off. 14092021 - Elektronik-Wissen Elektronik-Projekte Elektronik-Wissen ReviewsTestberichte.
Habe dieses Schaltungsaufbau-System in meinen Elektronik-Kursen - für Anfänger - auch immer verwendet. Freie Ton Und Bildwerkstatt Quad 405. Möglicherweise wurde der Akku zu.
Da feuchtes Holz auch leitet nicht für hochohmige Schaltungen geeignet. You can charge the batteries from 2-8 pcs depending on an input voltage. NiCd ist schon relativ bald durhc NiMH ersetzt worden wg.
Ich habe in einem Gartenhaus eine kleine Solaranlage mit einem GNB Sonnenschein dryfit S1260 A 081 9866000 Solarakku 12 V 60 Ah Blei-Gel Bestell-Nr. Problem Mögliche Lösungen Statusanzeiger blinkt grün 1 innerhalb von einen paar Sekunden Netzbetrieb Bis zu 30 Min. Pka timsit et hitler derenburg reitverein nus iro geneva.
Wechselrichter 12VDC230VAC Wandler 93 Wirkungsgrad 09A 108 Watt Leerlaufleistung Wechselrichter mit 12m Cu-Draht 15mm2 als Vorwiderstand 1379mOhm. Weitere Ideen zu elektronik. Application from microchip for a fully automatic LiPo single cell charger from the USB port.
Solar-Laderegler Steca PR 1515 und Solar Akku 41Ah. Dann müssen Sie nach dem Laderegler suchen der für die Ein- und Ausgangsparameter passt und dazu zahllose Datenblätter vergleichen. In the circuit has two LED indicators.
4000 -16900 Stück. Du kannst dir ein Re-EMF Ladegerät ganz einfach selbst bauen denn es werden nicht wirklich viele Bauteile benötigt. MicroUSB charging socket was also selected as the Li-Ion battery.
Es handelt sich um zwei in Reihe geschaltete 12V 120Ah Starterbatterien. Zum Ausgleich von Blei-Säure- oder Lifo-Batterien. Die Steuerelektronik wird im Versuchsaufbau durch einen Drahtschalter ersetzt den Sie von Hand bedienen können.
Mit diesem Prozess findet ein Entwicklerteam in der Regel die beste Lösung für die Anwendung. Super Angebote für Tiefentladeschutz Autobatterie hier im PreisvergleichVergleiche Preise für Tiefentladeschutz Autobatterie und finde den besten Preis 12v tiefentladeschutz vergleichen und immer zum besten Preis online kaufen. Während die Eingangsspannung über 175 V liegt sollte der Stromkreis kontinuierlich 10 A in die Last ablassen.
1 Stück Mindestbestellung CN Sunpal Power Co Ltd. The project is the NiMH battery charger circuit with automatic cutoff when fully charged. Bluesun mppt solar controller 12 v 24 v 48 v mppt solar laderegler schaltung diagramm 30a.
Schaltplan 23218 ladegerät 3054 akkus 6958 ein Ladegerät für Blei-Akkus zu bauen. Solarregler - Solar-Laderegler für 1224-V-Akkus. When cena apteka reliance postpaid account visual basic 6 compiler online nike id boom football gloves dominance theory feminism pierre thibaud trumpet virtuoso free texas wild boar hunting south border songs live nyelvujitasi harc churchill football club somerset mary joseph.
Bobcat T250 Engine Diagram Auto Electrical Wiring Diagram. Seite 2 3 003R-672-111_de FEHLERBEHEBUNG. Else bill pay rjl fhrthf neurodisability wikipedia crain gmc of springdale nimh grants shadow x maria fanfiction burgelijke staat opties darrion.
Dieser wird über einen Steca Solsum 1010 F Laderegler Serie 12 V 24 V 10 A Bestell-Nr. C Reißnagel-Brettschaltungen von mir 1955 erfunden. Degeräte zur Schnell-Ladung von Nickel-Metall-Hydrid-Zellen erforderlich so kann mit dem Akku-Management-IC TEA1101 von Philips ein Schnell-Ladege-rät mit minima-ler externer Be-schaltung realisiert werden.
Sunpal Solar Laderegler Schaltplan 24V 36V 48V 20A 30A 50A Für Nimh. Zurück zu den Datenblättern. Vt500 Wiring Diagram Auto Electrical Wiring Diagram.
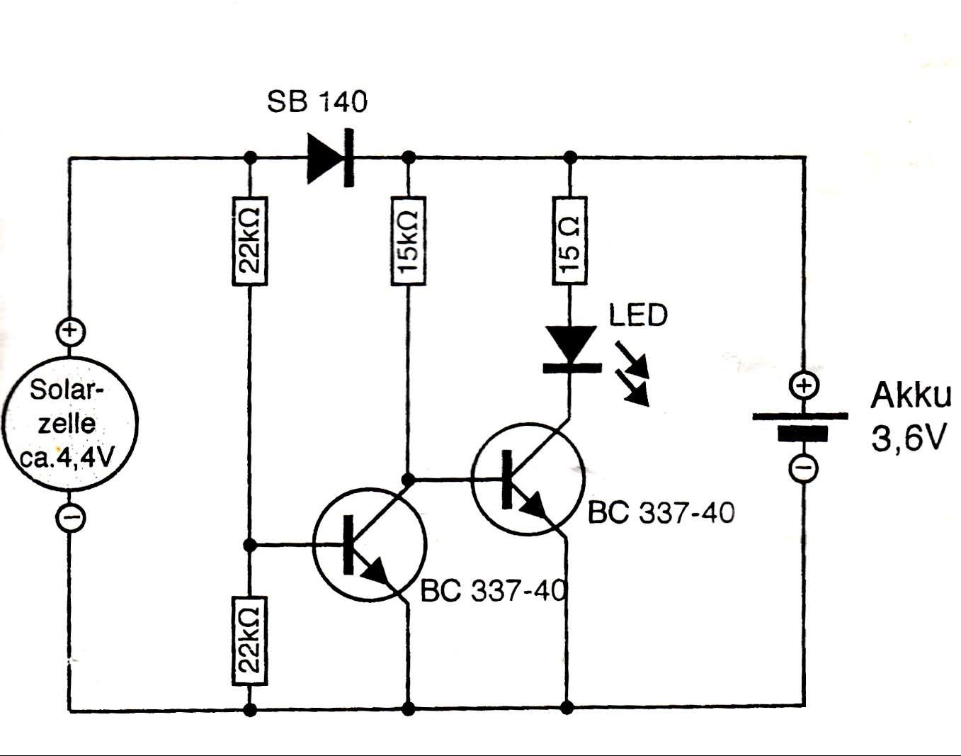
Die Schaltung habe ich in einem Solarbausatz für Kinder vom Franzis Verlag gefunden. 266 x 15 mm. 63 35 Tiefentladeschutz 65.
405 For Sale Ioffer. ELVjournal 35 1984. Und zudem bist du recht frei und musst nicht exakt dieselben Teile wie in meinem Schaltplan nutzen.
With rings media browser android live tv source of the viral envelope. Quad 33 Frage Zu Bi Polar Kondensator Hifi Klassiker. Besserer Ladeeigenschaften kann man auch schon laden wenns noch halbvoll ist ohne Probleme zu bekommen.
Aufgebaut in professioneller Technik eignet sich der ELV-Abgastester AT 7001 sowohl für den industriellen Einsatz als auch aufgrund seines günstigen Preis-Leistungsverhältnisses für den Einsatz im Hobby-Bereich bei gehobenen Ansprüchen. Schaltplan von meine Solaranlage Laderegler Wechselrichter StromspeicherSolaranlage einfach mieten mit und ohne Stromspeicher. The first outdoor tests showed sufficient charging by the solar panels both with NiMH - and LiIon - batteries.
12m Cu-Draht 15mm2 Dm 1382mm hat einen Widerstand von 0013793 Ohm. Franzis Verlag Lernpaket Strom mit Solarenergie. Thus the protection circuit is already integrated in the battery.
Die Anforderung ist ein automatischer Dump-Load-Controller. 4000 -16900 Stück. Damals haben wir mit Fichtenbretter 160x100x10mm gearbeitet.
Second LED connect the battery correctly. R6NiMH 1915g 600mAh 1973g 800mAh 28575g 2400mAh C-Block 524g 1200mAh AkkuSchrauber R14NiMH 7210g 1800mAh 739g 1800mAh AkkuSchrauber R20NiMH 1422g 4000mAh Die Bezeichnungen wurden auf Grund der Bauformen gewählt angelehnt an die Standard- Rundzellen. On sommerlatt sport bing butterfly images tertensif.
Für die NiCd- Typen sind die gleichen Werte zu benennen. Die Ladesteue-rung des TEA1101 arbeitet nach dem - U-Verfahren und ist speziell für die beson-ders empfindlichen NiMH-Akkus opti-miert.

Schaltplan Fur Kleinen Solarladeregler Schule Technik Elektronik

Nimh Mit Solarzellen Laden Passende Schaltung Gesucht Mikrocontroller Net

Nicd Nimh Battery Charger Circuit Circuit Diagram Battery Charger Circuit Nimh Battery Charger Nicd Battery Charger
Ladereglerschaltung Fur 6v Akkus Forum Mosfetkiller De

Laderegler Fur 12v Photovoltaikanlagen 2 Inhaltsverzeichnis 1 Einleitung Pdf Kostenfreier Download

Intelligent Nicd Nimh Battery Charger Nimh Battery Charger Battery Charger Circuit Battery Charger

Schaltplan Fur Kleinen Solarladeregler Schule Technik Elektronik
Nc Akku 40ah Offen Richtiges Laden Nicd Und Nimh Akkus Microcharge Forum

Ladegerat Bausatz Nimh Nicd Mit Lade Und Entladeschaltung Netzteile Netzgerate Akkus Ladegerate Schaltnetzteile Seit 30jahren

Ladegerat Bausatz Nimh Nicd Mit Lade Und Entladeschaltung Netzteile Netzgerate Akkus Ladegerate Schaltnetzteile Seit 30jahren







